VEDEN MITTAAMINEN

 

Veden määrän mittaamista varten kiinteistöihin asennetaan vesimittarit.

 

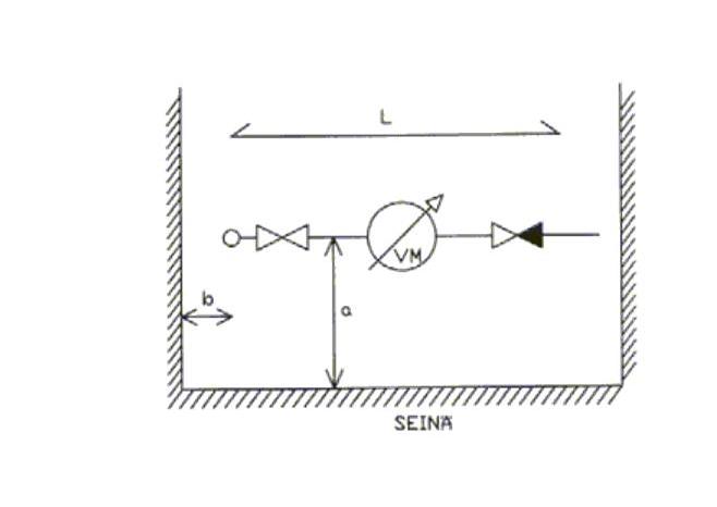
Mittariasetelman rakenne:

1. Sulkuventtiili. Tällä venttiilillä saadaan katkaistua kiinteistöön tuleva vesi. Kuvassa olevaa istukkatyyppistä venttiiliä suositellaan palloventtiilin sijaan.

2. Mittariteline. Helpottaa mittariasetelman kiinnittämistä kiinteistössä. Ei pakollinen hankkia mutta helpottaa asennusta.

3. Takaiskuventtiili. Estää veden virtauksen takaisin verkostoon päin. Samassa myös sulkuventtiili vesimittarille.

4. Paineenalennusventtiili. Suositellaan käytettäväksi kaikissa vanhemmissa rakennuksissa.

5. Painemittari. Näyttää paineenalennusventtiilin alentaman paineen eli talon verkostopaineen. Ei pakollinen.

6. Vesimittarin paikka (kuva mittarista alla). Mitoitus 190mm pitkälle mittarille.

Asetelman pituus kokonaisuudessaan n. 490mm.

Nuolet osoittavat veden kulkusuunnan.

 

VESIMITTARIN ASENNUSOHJEITA:

Sopiva vesimittarin sijoituskohta on tekninen tila tai muu lattiaviemäröity tila. Tilassa on oltava riittävä valaistus ja tuuletus sekä mittarille esteetön pääsy.

Vesimittari ei saa altistua pakkaselle eikä kuumuudelle !                        Kesäasunnoilla tehtävä putkiston tyhjennys jos rakennus jää kylmäksi.

Mittari kannattaa sijoittaa niin että etäisyys liitoskohdasta jää kohtuulliseksi.

Vesimittaria ei saa koteloida eikä eristää luettavuuden ja huollon takia.

Kylmävesijohtoputken eristys on tehtävä niin, ettei mittarin vaihdon yhteydessä eristystä tarvitse rikkoa.

Vesimittari

Osuuskunnan alueella käytössä Sensus-vesimittarit, joiden virtaama on 2,5 m3/h ja kokomerkintä DN20.

 

TILAN TARVE:

                          

                                                     Sivulta

 

 

                                  Päältä

VM-koko (DN) L (cm) H(cm) h(cm) a(cm) b(cm)
20 65 120 30 6 10
25 ja 32 75 120 30 7 10
40 85 120 30 10 10
50 85 120 30 15 10
 

 

 

Lisäksi vesimittarin eteen on varattava vapaata tilaa n.1m.

 

Nämä siis minimimittoja.

Osuuskunnan puolesta asennuksiin liittyvissä asioissa ovat lupautuneet neuvomaan Eero Kanervo, Markku Lamminsivu sekä Raimo Saarinen.

Yhteystiedot löydät "Hallitus"-sivulta.

 

Lisätietoa määräyksistä sekä soveltamisohjeita saa:                                        Vesihuoltolaitoksen yleiset toimitusehdot-oppaasta, joka jaetaan kaikille liittyneille kiinteistöille,       D1-Suomen Rakentamismääräyskokoelma 2007: Kiinteistöjen vesi- ja viemärilaitteistot, Vesiosuuskunta Uhkoilan sopimusehdot

Osuuskunnan liittyjien maanrakennustöiden kokonaismäärän ja kohteiden erilaisuuden johdosta ei osuuskunnalla ole tiedossaan maanrakennusurakoitsijaa, joka sitoutuu vastaamaan kaikkien liittyjien tonttijohtojen maanrakennustöistä.  

Oheisena kopio alueen maanrakennusalan sekä LVI-alan yrityksistä, jotka ovat ilmoittaneet tietonsa Janakkalan kunnan yrityksen palveluhakemistoon.

Maanrakennustöitä: 

- Aaltonen Erkki ja Unto Ay, Hakoistentie 321 14240 Janakkala p. 0400 219 549
                                                 - Bricatec Oy, Teutorintie 31 12400 Tervakoski p. 0400 211 267
- Hämeen JM-Yhtiöt Oy, Huunantie 22 12400 Tervakoski, p. 0400 266 596, (019) 733 105, fax (019) 733 107
- Janakkalan Kaivinkonepalvelu, Piilonsuontie 16 12400 Tervakoski p. 040 503 8228 
- Kaivinkoneurakointia, Heikki Tauru, Heinäjoentie 40 13330 Harviala p. 0500 876 751 
- Kaivinkoneurakoitsija Aarno Kommio, Hyvikkäläntie 768 14240 Janakkala p. 0400 480 806 
- Konepalvelu K. Saarinen, Kauriinkaari 17-23 B 8 14200 Turenki p. 0400 593 330 
- Kuljetuspalvelut, Stig Johansson, Lintuvuorenpolku 13 14200 Turenki p. 040 768 6570 
- Kurkela Timo, Korkeamäentie 7 14200 Turenki p. 040 568 8579 
- Laine Jari, Karamäentie 35 12400 Tervakoski p. 0400 313 390 
- Leppäkosken Maansiirtokonepalvelu Oy, Rankilantie 32 12380 Leppäkoski p. 040 506 3034 
- Maanrakennus Ari Pitkä Oy, Pitkäntie 66 11910 Riihimäki p. 0400 486 948 
- Maanrakennus Kekki Oy, Ilpo Kekki, Toivantie 124 12450 Vähikkälä p. 0400 203 158 
- Maarakennus M. Laivola Oy, Patteritie 5 14200 Turenki p. (03) 687 2344 
- Maanrakennus T. Koskinen Oy, Mikkolankuja 21 14140 Jokimaa p. 0400 977 545 
- Maansiirto ja kivityöt, Kari Helenius Ky, Verhontie 25 12400 Tervakoski p. 0400 715 720, (03) 687 7768 
- Maansiirto Lehtonen Terho Oy, Kyterintie 19 14200 Turenki p. 0400 485 704 
- Maansiirto R Jaakonsaari, Leppäkoskentie 850 12400 Tervakoski p. 0400 455 900 
- Maansiirto & Kuljetus Lehto Oy, Leppäkuja 7 14200 Turenki p. 0400 927 027, 0400 872 952 
- Jorvala Oy, Huunankaarto 14 12400 Tervakoski p. 0400 557 210, 0400 487 042 
- Tielinja Oy, Päiviöntie 3 12400 Tervakoski p. (019) 760 460                                                                                               - Valtonen Erkki Ky, Tapialantie 187 14240 Janakkala p. 0400 152 506
 

Koneurakointipalveluja 

- Ansio Jarmo, Mäenpääntie 214 14140 Jokimaa p. 0400 846 667 
- Elovaara Kari, Metsä-Tapailan tie 130 14140 Jokimaa p. 0500 712 562 
- Kaivinkoneurakointi Juuso Jalo, Massentie 19 14240 Janakkala p. 0400 887 112 
- Kaivinkoneurakointia, Ruponen Jukka, Koverontie 22 14240 Janakkala p. 0400 728 585 
- Lumityöt, Henttonen Eero, Pohjaniityntie 98 12380 Leppäkoski p. 0400 484 173 
- Lumityöt, hiekoitukset, Jaakonsaari Jyrki, Kiipulantie 302 14200 Turenki p. 040 595 6805 
- Lumityöt, hiekoitukset ym. traktorityöt, Rantanen Heikki, Kotimäentie 32 14200 Turenki p. 040 551 2875 
- Riihimäki Hannu, Mallinkaistentie 182 14200 Turenki p. 050 540 1127 
- STL-Partners Oy, Muurarinpolku 10 12400 Tervakoski p. 040 842 6999 
- Teiden kunnossapito, säilörehun korjuupalvelu, Lemola Markku, Tyrynkyläntie 225 14200 Turenki p. 050 531 4920 markku.lemola@mail.htk.fi 
- Traktorityöt, Olkinuora Risto, Puntintie 14 12380 Leppäkoski p. 0400 715 896
- Ylitalo Eero, Korventie 187 14200 Turenki p. 0500 206 209 

 

 

 

 

 

 

 

 

 

 

 

LVI-asennuksia,LVI-tarvikkeita:                                                                                  
- Green Side Oy, Helsingintie 1636 12400 Tervakoski p. (019) 766 826, 040 582 6147 
- JL-Ilma Oy, Hausjärventie 337 14200 Turenki p. (03) 687 8804 
- Ketunkorva Oy, Asematie 2 14200 Turenki p. (03) 542 4422 
- Lipako Oy, Kalliokulmantie 38 14240 Janakkala p. 0400 484 609, 040 561 4941 
- LVI-analyysi ja huoltopalvelutSalminen Toni, Soksontie 40, 12450 Vähikkälä p. 040 557 4987 
- LVI-Asennus Venho Veikko Tmi, Korventie 10 14200 Turenki p. 0400 812 889 
- LVI-Asennus Väisänen Oy, Alangontie 7 14200 Turenki p. (03) 687 8960, 0400 481 861 
- LVI-putkitarvikkeiden myynti, Tervakosken Maanrakennus / JM-Yhtiöt Oy, Huunantie 22 12400 Tervakoski p. 0400 266 596, (019) 733 105 fax (019) 733 107 
- LVI Sami Kara, Alasjärventie 5, 12400 Tervakoski, puh. 050 560 5457, sami.kara@kolumbus.fi 
- Putkiurakointi T. Jukka, Myllynkulmantie 50 13330 Harviala p. 0400 878 476 
- Saloniemen Asennuspalvelu Erkki Elo, Viralantie 752 14240 Janakkala p. 040 511 1751, (03) 618 9633 
- Tmi Mika Aintila, Lammintie 541 14200 Turenki p. 0400 476 855 
- Uurrelevy Oy, Painotie 17 14200 Turenki p. (03) 687 2040 
- Vesijohtoliike Järviset Oy, Koljalantie 1 14200 Turenki p. (03) 688 2065, (03) 687 8930 
- Vesikiertoisten lattialämmitysten asennukset, Niemi Hannu, Alimaantie 93 14200 Turenki p. 0400 932 564

Kuljetusliikkeitä 

- Aff Line Oy Ltd, Rippipolku 2 A 14200 Turenki p. 040 900 5966 
- Hämeen Maantiekuljetus Oy, Painotie 2-4 14200 Turenki p. (03) 687 2092 
- Jaakonsaari H. Ky, Porttilantie 1 C 10 12400 Turenki p. 040 508 6267 
- Janako Oy, Ratalantie 10 14200 Turenki p. (03) 687 2240 
- Janatrans Oy, Kanssintie 25 14240 Janakkala p. 0400 737 233 
- Kuljetus H. Nyman Ky, Emännänkuja 4 14200 Turenki p. 0400 774 690 
- Kuljetus Numspeed Oy, Lastujärventie 3 B 9 14200 Turenki p. 050 355 4658 
- Kuljetus P. Lyytinen Ky, Juttilantie 20 14200 Turenki p. 050 313 0393 
- Kuljetusliike Eino T. Lahti Ky, Ohrapolku 7 14200 Turenki p. 0500 493 198 Jyrki Lahti 
- Kuljetusliike Kiviset Oy, Vartiotie 6 14200 Turenki p. 040 504 6171 
- Kuljetusliike S & S Nieminen, Kontiotie 103 14200 Turenki p. 0400 616 346, (03) 688 1373 
- Kuljetusliike Suoranta Ky, Kirkkoportintie 25 12450 Vähikkälä p. 0400 610 785 
- Kuljetuspalvelu Laine Oy, Painotie 2-4 14200 Turenki p. (03) 687 2092 
- Kuljetuspalvelu Marko Sillanpää, Kuoppamäentie 22 12400 Tervakoski p. 040 543 0744 
- Kuljetuspalvelut Teemu Siren Oy, Patterikuja 5 14200 Turenki p. 0400 639 020 
- Lahden Roi Trans Oy, Santasillantie 77 14240 Janakkala p. 0400 869 266 
- MJ Koskinen Oy, Painotie 6 14200 Turenki p. 0400 486 575 
- Oy Show Trucking Finland Ltd, Tatuntie 19 12400 Turenki p. 0500 842 413 
- Ruponen Jukka, Koverontie 22 14240 Janakkala p. 0400 728 585 
- Kuorma-autoilija Ilpo Nieminen, Kirkkoportintie 53 12450 Vähikkälä, p. 0400 310 789 
- Kuorma-autoilija Pekka Salonen Tmi, Maaniityntie 18 12450 Vähikkälä p. 040 700 5953 
- Tmi Jussi Laurunen, Kiesikuja 4 14200 Turenki p. 040 538 9951 
- Tmi Kuljetus Mika Manninen, p. 0500 319 787 
- Tmi Kuljetusliike Pasi Valtonen, Latomäentie 64 14200 Turenki p. 0400 470 080